LMJ28 Current Sense Resistor
Description
- Thick copper material conductor
- Ultra-long-term stability
- High rated power
- Outstanding reliability
- Very low inductance (< 5 nH).
- Extremely low temperature coefficient (good TCR)
- Halogen-free and lead-free, compliant with RoHS
Part Numbering System

| Type | Rating Power at 70℃ |
T.C.R. (ppm/℃) |
Resistance Range(mΩ) 0.5%(D) 1.0%(F) 2.0%(G) 5.0%(J) |
Operating Temperature(℃) |
|---|---|---|---|---|
| LMJ2818 | 5W&7W | ±200 | 4~6 | -55℃~170°C |
| ±75 | 7~50 |
construction

Unit:mm
| Type | Resistance (mΩ) |
L | H | T | W |
|---|---|---|---|---|---|
| LMJ2818 | 4~50 | 7.15± 0.254 | 1.50±0.254 | 2.9±0.254 | 4.50±0.254 |
Recommended land pattern

Unit:mm
| Type | a | b | l |
|---|---|---|---|
| LMJ2818 | 3.5 | 5.3 | 0.6 |
Power Derating Curve

For resistors operated in ambient temperatures 70°C, power rating shall be derated inaccording with the curve above.

IR Reflow-Soldering Profile

Wave- Soldering Profile
Product Characteristics
| Item | Test condition/ Methods | Limited |
|---|---|---|
| Temperature coefficient of resistance | TCR =(R-R0)/R0(T2-T1)×106 R0 : resistance of room temperature R: resistance of 125℃ T1 : Room temperature T2 : Temperature at 125℃ |
Refer to Spec |
| Short time Overload | 4×rated power for 5s | ±0.5% |
| Resistance to Soldering Heat | 260℃± 5℃ time: 10sec± 1sec | ±0.5% |
| Temperature Cycling | -55 °C to +150 °C, 1000 cycles, 15 min at each extreme | ±0.5% |
| Low temperature Operation | The resistance change rate was measured after the sample was placed in a constant temperature box at -55 ± 2°C for 96 hours and then left to stand for more than 1 hour. | ±0.5% |
| High Temperature Storage | 1000hours at 170℃, No power | ±1% |
| Bias Humidity | +85℃, 85% RH, 10% bias, 1000hours | ±0.5% |
| Solderability | After being immersed in a furnace at 245 ± 5°C for 3 ± 1 seconds, take it out and observe the soldering area under a magnifying glass. | The area of the electrode covered with new tin should be greater than 95%. |
| Load life | 1000 hours at 70℃± 2℃, apply rated power, 1.5h “On”, 0.5hr “Off” | ±1% |
| Terminal bending | Weld it into the bending test plate, place it on the bending test machine, apply 2.5kg force in the center of the test plate, press 2mm under the load for 60s, and measure the resistance change rate. | ±0.5% |
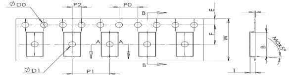
Tapping & Package

Unit: mm
| Type | A ±0.1 |
B ±0.1 |
D0 +0.1 |
E ±0.1 |
F ±0.1 |
D1 ±0.1 |
W ±0.3 |
P0 ±0.1 |
P1 ±0.1 |
P2 ±0.1 |
T | Quantity (pcs) |
|---|---|---|---|---|---|---|---|---|---|---|---|---|
| 2818 | 5.21 | 7.69 | 1.5 | 1.75 | 7.5 | 1.5 | 16.0 | 4.0 | 8.0 | 2.0 | 1.97 | 1,000 |
Reel Specification

Unit: mm
| Type | A | B | C | D | W | M |
|---|---|---|---|---|---|---|
| 2818 | 3.0±0.5 | 13.5±0.5 | >22 | 56.0±0.5 | 18.0±0.5 | 178±1 |