14CT8-60A
Vo Volts-800VDC Amps- 50 to 80A
Electric Vehicles Power Fuse
The Prosemi EV (Electric Vehicle) fuses are made of high strength ceramic tube and high purity melt, with unique arc extinction filling technology which is Prosemi's patent technology . The EV fuses are elaborately designed according to the actual driving status of EVs, with adherence to auto industry standards (JASO, D622/ISO8820). With high vibration durability, pefect transient current intermittent tolerance, eminent thermal shock resistance and favorable flame retardant ability, the Prosemi fuses will provide youprotection whether the vehicle is traveling on a flat road or under a variety of harsh conditions.
Features
- Excellent DC performance
- Stud-mount, optional for other installation
- Designed to: UL248-20
- Comply RoHS directive
Appications
- DC drives Power Distribution Unit (PDU)
- Energy storage device Inverters
- EV&HEV Power Battery
- EV Charging module
Specification
| Ordering P/N | Rated Current (A) |
Rated Voltage/ Interrupting Rating |
I²t (A²s) Pre-Arcing |
Power Loss @ 0.5in (W) | |
|---|---|---|---|---|---|
| 14CT8-50A-x | 50 | 800Vdc/50000A | 2000 | 1.6 | |
| 14CT8-60A-x | 60 | 3600 | 1.65 | ||
| 14CT8-70A-x | 70 | 5800 | 1.8 | ||
| 14CT8-80A-x | 80 | 12500 | 2 | ||
* I2t is measured with 10In
Part Numbering System

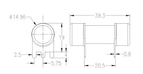
Dimension
14CT8-xxA-E

Note: recommend tightening torque is 4.5+/-1.0Nm.
14CT8-xxA-F

Recommended Drilling Pattern

Wave Soldering profile

| Profile Feature | Lead (Pb) Free Solder | |
|---|---|---|
| Preheat | Temperature min.(Tsmin) | 100°C |
| Temperature typ.Tstyp) | 120°C | |
| Temperature max.(Tsmax) | 130°C | |
| Time (Tsmin to Tsmaxl )(ts) | 70 seconds | |
| △preheat to max Temperature | 150°C max. | |
| Peak temperature (Tp)* | 250℃-260℃ | |
| Time at peak temperature (tp) | 10 seconds max 5 seconds max |
|
| Ramp-down rate | ~2 K/s min ~3.5 K/s typ ~5 K/s max |
|
| Time 25°C to 25°C | 4 minutes | |
Average Time Current Curves

Transportation and Storage
During transportation and storage, should avoid water seepage and mechanical damage.
Conditions for operation in service
Where the following conditions apply, fuses complying with this standard are deemed capable of operating satisfactorily without further qualification.
- Normal temperature: -5℃ to 40℃;
- The altitude of the site of installation of the fuses does not exceed 2 000 m above sea level;
- The air is clean and its relative humidity does not exceed 50% at the maximum temperature of 40℃;
- Higher relative humidities are permitted at lower temperatures, e.g. 90 % at 20℃;
- Under these conditions, moderate condensation may occasionally occur due to variation in temperature.
For operation condition other than above, please contact manufacturer.
Vibration
Meet UL248-20 Section 8.6.2.3 Vibration Test C requirement, can be use on Electrical Vehicle application;
Temperature Rerating Curve
Operating Temperature: -40°C to +125°C, with proper rerating factor applied
