E5SD-350A-TA
Square Body | 500VDC
EV/HEV Fuses
Features
- DC fuse for EV/HEV
- Excellent DC performance
- RoHS compliant
- Stud-mount
Specification
| Part Number | Ampere Rating (A) |
Voltage Rating |
Interrupting Rating |
I²t (A²Sec) | Power loss (W) |
|
|---|---|---|---|---|---|---|
| Pre-arcing | Total @500VDC | |||||
| ESSD-150A-TA | 150A | 500VDC @ 50kA L/R 2ms | 4300 | 12470 | 3.55 | |
| ESSD-200A-TA | 200A | 9150 | 31100 | 4.75 | ||
| ESSD-250A-TA | 250A | 15200 | 45600 | 5.50 | ||
| ESSD-300A-TA | 300A | 20500 | 67500 | 7.10 | ||
| ESSD-350A-TA | 350A | 32600 | 107580 | 7.85 | ||
| ESSD-400A-TA | 400A | 42250 | 148000 | 9.80 | ||
- Temperature Rise :<=50K with 50% of rated current
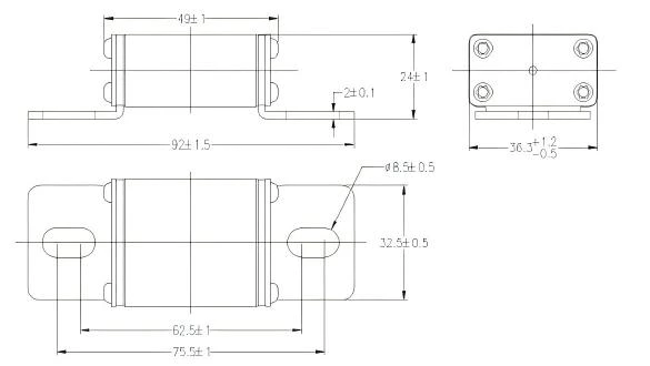
Dimension (mm)

Note: Recommended installation torque: 12+/-1Nm (M8)
Temperature Derating Curve

Time Current Curve
