E7SD-250A-TA
Fast Acting | 750VDC
ESS/EV/HEV Fuses
Features
- Fast Acting fuse for ESS/EV DC Application
- Excellent DC performance
- RoHS compliant
- Design to UL248-1 & UL248-20
Specification
| Part Number |
Ampere Rating A) |
Voltage Rating |
Interrupting Rating |
I²t (A²Sec) | Power loss (W) | |
|---|---|---|---|---|---|---|
| Pre-arcing | Total @750Vdc | |||||
| E7SD-200A-TA | 200A | 750VDC @ 20kA | L/R 2ms | 7560 | 39300 | 33 |
| E7SD-250A-TA | 250A | 750VDC @ 50kA | **L/R 2ms *** | 12600 | 68650 | 39 |
- Temperature Rise :<50K with 50% of rated current
- Self-certified for 50kA Breaking Capacity
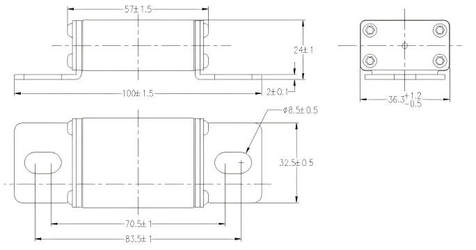
Dimension (mm)

Note: Recommended installation torque: 12+/-1Nm (M8)
Temperature Derating Curve

Time Current Curve
