H2SA-250A-TA
Square Body Fuse
H2SA Series
Description
- DC fuse for EV/HEV/ESS;
- Stud-mount, optional for other installation;
- 200Vdc/315Vdc ideal for EV or HEV application;
- Excellent DC performance;
- Design to EV fuse standard UL248-20 ;
- Reliability performance design refer to ISO8820-8&GB/T31465.6;
- Comply RoHS directive.

Specifications
| Part Number | Rated Current (A) |
Rated Voltage (Vdc) |
Breaking Capacity (A) |
Typ. Pre-arcing I²t (A²sec) |
Power Loss (W) |
|---|---|---|---|---|---|
| H2SA-150A-TA | 150 | 200Vdc 315Vdc |
50kA @ 200Vdc 6kA @ 315Vdc * |
4500 | 23.1 |
| H2SA-175A-TA | 175 | 6600 | 25.2 | ||
| H2SA-200A-TA | 200 | 8500 | 27.5 | ||
| H2SA-250A-TA | 250 | 16000 | 30.5 | ||
| H2SA-300A-TA | 300 | 200Vdc | 50kA @ 200Vdc | 29000 | 34.3 |
| H2SA-350A-TA | 350 | 31500 | 37.5 |
Note: 1.I²t is measured with 10In;
2.Self-certified for IR 315Vdc/6kA;
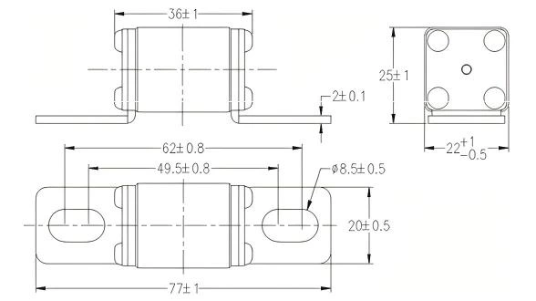
Dimension (mm)

Note: Recommend tightening torque is 12+/-1.0Nm (M8);
Time-Current Curve


Transportation and Storage
During transportation and storage, should avoid water seepage and mechanical damage.
Conditions for operation in service
Where the following conditions apply, fuses complying with this standard are deemed capable of operating satisfactorily without further qualification.
- Normal temperature: -5℃ to 40℃;
- The altitude of the site of installation of the fuses does not exceed 2000 m above sea level;
- The air is clean and its relative humidity does not exceed 50% at the maximum temperature of 40℃;
- Higher relative humidities are permitted at lower temperatures, e.g. 90 % at 20℃;
- Under these conditions, moderate condensation may occasionally occur due to variation in temperature.
For operation condition other than above, please contact manufacturer.
Vibration
Meet UL248-20 Section 8.6.2.3 Vibration Test C requirement, can be use on Electrical Vehicle application.
Temperature Rerating Curve
Operating Temperature: -40°C to +125°C, with proper rerating factor applied
