ALMP25 Current Sense Resistor

Features
- Proprietary processing technique produces extremely low resistance values
- Very low inductance
- Low thermal EMF
- Metallic Material
- AEC-Q200 qualified available
Numbering System

| Parameter | Standard |
|---|---|
| Power Rating | 1mΩ~100mΩ: 3W 101mΩ~500mΩ : 2W |
| Resistance Value | 1~500mΩ |
| Operating Temperature Range | -55 to +170°C |
| Component Temperature Coefficient (TCR) | ± 50 ppm/°C |
| Maximum Working Voltage (V) | (P x R)1/2 |
| Rating Current (A) | (P / R)1/2 |
P=Power Rating; R=Resistance vaIue
Standard Electrical Specifications
| Type | Rating Power at 70℃ |
T.C.R. (ppm/℃) |
Resistance Range(mΩ) 0.5%(D) 1.0%(F) 2.0%(G) 5.0%(J) |
Meterial | Electrode | Operating Temperature(℃) |
|---|---|---|---|---|---|---|
| ALMP25 | 2W | 50 | 101-500 | R101- R500:Karma | R101-R500:Narrow | -55~+170°C |
|
2W&3W
|
50 | 1-4 | R001- R004: Alloy |
R001-R004:Wide | ||
| 1-100 | R001-R100:
Alloy
|
R002-R100:Narrow |
Resistance Values of the 2512 Series, 2W Resistors
| Standard Resistance Values(Ω) | |||||||||||||||
|---|---|---|---|---|---|---|---|---|---|---|---|---|---|---|---|
| 0ohm | 0.002ohm | 0.003ohm | 0.004ohm | 0.005ohm | 0.01ohm | 0.015ohm | 0.02ohm | 0.025ohm | 0.03ohm | 0.033ohm | 0.035ohm | 0.05ohm | 0.06ohm | 0.08ohm | 0.1ohm |
| R000 | R002 | R003 | R004 | R005 | R010 | R015 | R020 | R025 | R030 | R033 | R035 | R050 | R060 | R080 | R100 |
| 0.15ohm | 0.2ohm | 0.3ohm | 0.5ohm | — | |||||||||||
| R150 | R200 | R300 | R500 | ||||||||||||
| Manufacturable Resistance Values(Ω) | |||||||||||||||
|---|---|---|---|---|---|---|---|---|---|---|---|---|---|---|---|
| 0.001ohm | 0.0012ohm | 0.0015ohm | 0.0025ohm | 0.0035ohm | 0.0038ohm | 0.0045ohm | 0.006ohm | 0.007ohm | 0.008ohm | 0.009ohm | 0.011ohm | 0.012ohm | 0.013ohm | 0.016ohm | 0.017ohm |
| R001 | R0012 | R0015 | R0025 | R0035 | R0038 | R0045 | R006 | R007 | R008 | R009 | R011 | R012 | R013 | R016 | R017 |
| 0.018ohm | 0.022ohm | 0.024ohm | 0.027ohm | 0.036ohm | 0.039ohm | 0.04ohm | 0.043ohm | 0.045ohm | 0.047ohm | 0.056ohm | 0.062ohm | 0.065ohm | 0.068ohm | 0.07ohm | 0.075ohm |
| R018 | R022 | R024 | R027 | R036 | R039 | R040 | R043 | R045 | R047 | R056 | R062 | R065 | R068 | R070 | R075 |
| 0.082ohm | 0.09ohm | 0.11ohm | 0.12ohm | 0.13ohm | 0.14ohm | 0.16ohm | 0.17ohm | 0.18ohm | 0.22ohm | 0.24ohm | 0.25ohm | 0.27ohm | 0.33ohm | 0.36ohm | 0.39ohm |
| R082 | R090 | R110 | R120 | R130 | R140 | R160 | R170 | R180 | R220 | R240 | R250 | R270 | R330 | R360 | R390 |
| 0.4ohm | 0.43ohm | 0.45ohm | 0.47ohm | — | |||||||||||
| R400 | R430 | R450 | R470 | ||||||||||||
Resistance Values of the 2512 Series,3W Resistors
| Standard Resistance Values(Ω) | |||||||||||||||
|---|---|---|---|---|---|---|---|---|---|---|---|---|---|---|---|
| 0ohm | 0.002ohm | 0.003ohm | 0.004ohm | 0.005ohm | 0.01ohm | 0.015ohm | 0.02ohm | 0.025ohm | 0.03ohm | 0.033ohm | 0.035ohm | 0.05ohm | 0.06ohm | 0.08ohm | 0.1ohm |
| R000 | R002 | R003 | R004 | R005 | R010 | R015 | R020 | R025 | R030 | R033 | R035 | R050 | R060 | R080 | R100 |
| Manufacturable Resistance Values(Ω) | |||||||||||||||
|---|---|---|---|---|---|---|---|---|---|---|---|---|---|---|---|
| 0.001ohm | 0.0012ohm | 0.0015ohm | 0.0025ohm | 0.0035ohm | 0.0038ohm | 0.0045ohm | 0.006ohm | 0.007ohm | 0.008ohm | 0.009ohm | 0.011ohm | 0.012ohm | 0.013ohm | 0.016ohm | 0.017ohm |
| R001 | R0012 | R0015 | R0025 | R0035 | R0038 | R0045 | R006 | R007 | R008 | R009 | R011 | R012 | R013 | R016 | R017 |
| 0.018ohm | 0.022ohm | 0.024ohm | 0.027ohm | 0.036ohm | 0.039ohm | 0.04ohm | 0.043ohm | 0.045ohm | 0.047ohm | 0.056ohm | 0.062ohm | 0.065ohm | 0.068ohm | 0.07ohm | 0.075ohm |
| R018 | R022 | R024 | R027 | R036 | R039 | R040 | R043 | R045 | R047 | R056 | R062 | R065 | R068 | R070 | R075 |
| 0.082ohm | 0.09ohm | — | |||||||||||||
| R082 | R090 | ||||||||||||||
Construction

Unit: Millimeters
| Type | Power | L | W | C | T |
|---|---|---|---|---|---|
| ALMP25 | 2W&3W | 6.4 ±0.2 | 3.2 ±0.2 | 0.95±0.25 (Narrow) | |
| 0.9±0.2 | |||||
| 2.1±0.25(Wide) |
Marking
For ALMP25-S(Wide electrodes)
(1) R≤4mΩ & P/N with "-S", the marking pattern is as follows.

Resistance value is expressed by 4 digits.
E.G.:
R002 = 0.002Ω = 2mΩ
R004 = 0.004Ω = 4mΩ
For ALMP25(Narrow electrodes)
(1) R>1mΩ & P/N without "-S", the marking pattern is as follows.

Resistance value is expressed by 4 digits.
E.G.:
R010 = 0.010Ω = 10mΩ
R020 = 0.020Ω = 20mΩ
Recommend land pattern

Unit: Millimeters
| Resistance Range ( Ω ) | a | b | L |
|---|---|---|---|
| 0.001-0.004(Wide) | 4.0±0.1 | 3.1±0.1 | 1.3±0.1 |
| 0.001~0.500(Narrow) | 4.0±0.1 | 2.1±0.1 | 4.1±0.1 |
Power Derating Curve
For resistors operated in ambient temperatures 70°C, power ratingshall be derated inaccording with the curve below:

Recommended Solder Curve

| Reflow Condition | Pb – Free assembly | |
|---|---|---|
| Pre heat | - Temperature Min (Ts(min)) | 150°C |
| - Temperature Max (Ts(max)) | 200°C | |
| - Time (Min to Max) (ts) | 60 – 120 secs | |
| Average ramp up rate (Liquidus Temp (TL) to peak | 5°C/second max | |
| TS(max) to TL - Ramp-up Rate | 5°C/second max | |
| Reflow | - Temperature (TL) (Liquidus) | 217°C |
| - Time (tL) | 60 – 150 seconds | |
| Peak Temperature (TP) | 260°C | |
| Time within 5°C of actual peak Temperature (tp) | 20 – 40 seconds | |
| Ramp-down Rate | 5°C/second max | |
| Time 25°C to peak Temperature (TP) | 8 minutes Max. | |
| Wave Soldering | 260°C, 10 seconds max. | |
| Hand Soldering | 350°C, 5 seconds max. | |
Product Characteristics
| Item | Test condition/Methods | Limited | Standard | ||
|---|---|---|---|---|---|
| Resistance | Measuring resistance value at room temperayure 25℃±5℃ |
Refer to Spec | IEC60115-14.5 | ||
| Temperature coefficient of resistance |
TCR=(R-R。)/R。(T2-T1)×10⁶ R₀ :resistance of roomtemperature R:resistance of 125℃ T1:Room temperature T2:Temperature at 125℃ |
Refer to Spec | MIL-STD-202 Method 304 |
||
| Short time Overload | Apply overload for 5 seconds,then measure the change in resistance after 24 hours of rest. |
≤±0.5% | JIS-C5201 | ||
| Type | Power(W) | #of rated power | |||
| 2512 | 2 | 5 times | |||
| 2512 | 3 | 0.5mR~100mR*5 times 101mR~500mR*4 times |
|||
| Biased Humidity | +85℃,85%RH,10%bias,1.5h"NO",0.5h" OFF",1000hours |
≤±0.5% | MIL-STD-202 Method 103 |
||
| Temperature Cycling | -55℃(30min)/+125℃(30min),1000 cycles | ≤±0.5% | JESD22 Method JA-104 |
||
| Operational Life | 125℃±3℃,Apply rated current for 1000 hours |
≤±0.5% | MIL-STD-202 Method 108 |
||
| Low Temperature Storage | -55±2℃ for 1000hours,No power | ≤±0.5% | JIS C5201 | ||
| High Temperature Storage | 125℃ for 1000hours,No power | ≤±1% | MIL-STD-202 Method 108 |
||
| Load Life | 70℃±2℃,1000 hours,at rated power 1.5 hours "ON",0.5 hours "OFF" |
≤±1% | MIL-STD-202 Method 210 |
||
| Resistance to Solder Heat | 260±5℃,10±1s | ≤±0.5% | MIL-STD-202 Method 210 |
||
| Solderability | Immerse in the furnace at 245±5℃for 3±1 seconds,then take it out and put it under a magnifying glass to observe the solder area |
The electrode shall cover more than 95%of new tin. |
J-STD-002 | ||
| Joint Strength of Solder | Welded in the bending test plate,placed on the bending test machine,apply force in the center of the test plate,and measure the change rate of resistance value under load |
≤±0.5% | JIS-C5201 | ||
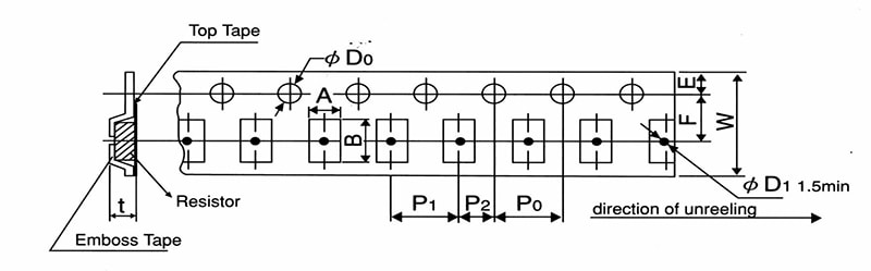
Tapping & Package

| Type | Pack | A ±0.2 |
B ±0.2 |
D0 +0.5-0 |
E ±0.1 |
F ±0.05 |
P0 ±0.1 |
P1 ±0.1 |
P2 ±0.1 |
W ±0.2 |
D1 ±0.05 |
T ±0.15 |
|---|---|---|---|---|---|---|---|---|---|---|---|---|
| 2512 | Emboss | 3.60 | 6.90 | 1.50 | 1.75 | 5.50 | 4.00 | 4.00 | 2.00 | 12.00 | 1.50 | 1.20 |
Reel Specification

| Type | A | B | C | D | M | W |
|---|---|---|---|---|---|---|
| 2512 | 2.00±0.5 | 13.50±0.5 | 21.00±0.5 | 80.00±1.0 | 178.00±2.0 | 13.80±0.5 |
Packaging
Quantity: 4, 000pcs
12mm wide tape on 178mm(7inch)
diameter reel -specification EIA
Standard 481.
Peel strength of upper belt
Stripping speed: 300 mm / min; The peel force is between 0.1N and 0.7N.

Storage conditions & shelf life
It can be stored for 2 years under closed conditions with temperature of 5 ° C ~ 35 ° C and relative humidity of 40 ~ 75
Please avoid the following harsh environment during storage to avoid affecting the product
performance and solder connectivity: the places with corrosive gases such as sea breeze, Cl2 , H2S, NH3 , SO2 and NO2 shall be stored without direct sunlight.
Precautions for product use
When measuring the resistance value before welding, a special resistance meter with high precision shall be used. When measuring, a 4-wire probe or fixture must be used. 4. When measuring parts with a wire measuring needle, the 4 measuring needles must indeed contact the parts.
Avoid damaging the protective layer during manual welding or clamping with tweezers.
When the PCB is divided or fixed on the support, be careful to avoid excessive bending causing mechanical stress to the resistor.
It shall be used within the rated power range within the specification, especially when the power exceeds the rated value, which may affect the reliability of the product